Lukisan Skematik 3 Fasa : Motor induksi 3 fasa 3.1 prinsip kerja motor induksi 3 fasa motor induksi merupakan motor arus bolak balik (ac) yang paling luas penggunaannya.

Lukisan Skematik 3 Fasa : Motor induksi 3 fasa 3.1 prinsip kerja motor induksi 3 fasa motor induksi merupakan motor arus bolak balik (ac) yang paling luas penggunaannya.. If you continue browsing the site, you agree to the use of cookies on lukisan pendawaian elektrik 1 fasa cikimm. Walaubagaimanapun, pelan, lukisan skematik dan spesifikasi yang asal perlu disimpan oleh pemohon. Thp 1205 elektronika industri politeknik enjineering pertanian pembuatan skematik dan trace pcb menggunakan aplikasi. Pengenalan kepada lukisan skematik elektrik satu fasa. Pendahuluan motor induksi 3 fasa bagian yang berputar (bergerak) adalah rotor gambar disamping adalah konstruksi 4 pendahuluan motor induksi 3 fasa pada bagian diatas stator memiliki pasangan kutub utara dan selatan.

Pendahuluan motor induksi 3 fasa bagian yang berputar (bergerak) adalah rotor gambar disamping adalah konstruksi 4 pendahuluan motor induksi 3 fasa pada bagian diatas stator memiliki pasangan kutub utara dan selatan. Lukisan skematik merupakan lukisan yang menggambarkan susunan dan kedudukan komponen bagi sesuatu projek melalui simbol. Elektronik menterjemah lukisan skematik kepada lukisan bergambar 2. Meskipun rumit, desain dinding tiga dimensi tentunya lebih unik dan lebih berbeda dengan desain atau kamar lainnya di dalam rumah. Pengenalan kepada lukisan skematik elektrik satu fasa.

Doc Assignment Asas Elektrik Dan Elektronik Denko Koi Academia Edu
Doc Assignment Asas Elektrik Dan Elektronik Denko Koi Academia Edu from 0.academia-photos.com
Lukiskan gambarajah litar skematik untuk pendawaian tersebut. Pln dan industri besar menggunakan listrik 3 kenapa pln menggunakan genarator 3 fasa sebagai pembangkit listrik standar? Elektronik menterjemah lukisan skematik kepada lukisan bergambar slideshare uses cookies to improve functionality and performance, and to provide you with relevant advertising. Lukisan dinding 3d atau lukisan 3d di tembok lengkap dengan berbagai tema untuk berbagai kebutuhan baik photobooth, rumah yang begitu berbicara mengenai lukisan dinding, mungkin anda sudah familiar dengan yang namanya mural, namun ada satu lagi lukisan dinding yang kini cukup. Meskipun rumit, desain dinding tiga dimensi tentunya lebih unik dan lebih berbeda dengan desain atau kamar lainnya di dalam rumah. Listrik 3 fasa adalah standard listrik yang dapat dihasilkan oleh sebuah generator pembangkit listrik. 3.2.2 menterjemah lukisan skematik atau lukisan bergambar untuk membuat projek ~ rujuk buku teks m/s 46 3.3penghasilan projek 3.3.1 membentuk kaki komponen 3.3.2memasang komponen berpandukan lukisan skematik atau lukisan. Gangguan ini terdiri dari hasil dan analisa.

Hasil simulasi hubung singkat 3 fasa pada.

Lukisan elektrik tergolong dalam lukisan teknik bagi bangunan. Lukisan dinding kamar 3d membutuhkan level keterampilan dan kesabaran tertentu untuk dapat diwujudkan, terutama jika kamu mengerjakannya sendiri. Elektronik menterjemah lukisan skematik kepada lukisan bergambar slideshare uses cookies to improve functionality and performance, and to provide you with relevant advertising. Pada semua fasanya sehingga arus maupun tegangan. Gangguan ini terdiri dari hasil dan analisa.  skematik busbar gabungan skematik ini ialah dari segi susunan litar kecil akhir. Elektronik menterjemah lukisan skematik kepada lukisan bergambar 2. ` perbezaan juga boleh dilihat pada susunan mcb di kfa 3 fasa. Gambar 2 single line diagram sulsel. Pengenalan kepada lukisan skematik elektrik satu fasa. Setiap fasanya tetap seimbang setelah gangguan terjadi. Kelebihan sistem 3 fasa adalah mampu menghasilkan tegangan lebih. Lukiskan gambarajah litar skematik untuk pendawaian tersebut.

Adalah amat penting sekali dan perluh diketahui sistem,lukisan bentangan pemasangan domestik satu fasa. Lukisan dinding 3d atau lukisan 3d di tembok lengkap dengan berbagai tema untuk berbagai kebutuhan baik photobooth, rumah yang begitu berbicara mengenai lukisan dinding, mungkin anda sudah familiar dengan yang namanya mural, namun ada satu lagi lukisan dinding yang kini cukup. Motor induksi 3 fasa merupakan salah satu cabang dari jenis motor listrik yang merubah energi listrik menjadi energi gerak berupa putaran yang mempunyai slip antara medan stator dan rotor dengan sumber tegangan 3 fasa. Motor induksi 3 fasa 3.1 prinsip kerja motor induksi 3 fasa motor induksi merupakan motor arus bolak balik (ac) yang paling luas penggunaannya. Pln dan industri besar menggunakan listrik 3 kenapa pln menggunakan genarator 3 fasa sebagai pembangkit listrik standar?

2
2 from
` perbezaan juga boleh dilihat pada susunan mcb di kfa 3 fasa. Lukisan dinding 3d atau lukisan 3d di tembok lengkap dengan berbagai tema untuk berbagai kebutuhan baik photobooth, rumah yang begitu berbicara mengenai lukisan dinding, mungkin anda sudah familiar dengan yang namanya mural, namun ada satu lagi lukisan dinding yang kini cukup. Lukisan elektrik & elektronik elektronik cad (bbv40203) lukisan bentangan dan skema pemasangan tiga fasa. Thp 1205 elektronika industri politeknik enjineering pertanian pembuatan skematik dan trace pcb menggunakan aplikasi. Setiap fasanya tetap seimbang setelah gangguan terjadi. Pengenalan kepada lukisan skematik elektrik satu fasa. Listrik 3 fasa adalah standard listrik yang dapat dihasilkan oleh sebuah generator pembangkit listrik. Bus 150 kv (standar perhitungan iec).

If you continue browsing the site, you agree to the use of cookies on lukisan pendawaian elektrik 1 fasa cikimm.

Lukisan dinding 3d atau lukisan 3d di tembok lengkap dengan berbagai tema untuk berbagai kebutuhan baik photobooth, rumah yang begitu berbicara mengenai lukisan dinding, mungkin anda sudah familiar dengan yang namanya mural, namun ada satu lagi lukisan dinding yang kini cukup. Hasil simulasi hubung singkat 3 fasa pada. Pada semua fasanya sehingga arus maupun tegangan. Thp 1205 elektronika industri politeknik enjineering pertanian pembuatan skematik dan trace pcb menggunakan aplikasi. Berbagai karya lukisan telah berhasil diciptakan, salah satunya lukisan abstrak berjudul orange, red, yellow yang terjual senilai 1,13 triliun rupiah. Gambarajah skematik 3 fasa terbahagi kepada. Lukisan skematik r1 33 kω r2 1.2 kω tr cs 9013 r3 390 ω 3. Add to my workbooks (0) download file pdf embed in my website or blog add to google classroom add to. Gambar 2 single line diagram sulsel. Lukisan dinding kamar 3d membutuhkan level keterampilan dan kesabaran tertentu untuk dapat diwujudkan, terutama jika kamu mengerjakannya sendiri. 3.2.2 menterjemah lukisan skematik atau lukisan bergambar untuk membuat projek ~ rujuk buku teks m/s 46 3.3penghasilan projek 3.3.1 membentuk kaki komponen 3.3.2memasang komponen berpandukan lukisan skematik atau lukisan. Pengenalan kepada lukisan skematik elektrik satu fasa. Lukiskan gambarajah litar skematik untuk pendawaian tersebut.

Gangguan ini terdiri dari hasil dan analisa. Elektronik menterjemah lukisan skematik kepada lukisan bergambar slideshare uses cookies to improve functionality and performance, and to provide you with relevant advertising. Langkah 1 kenal pasti komponen, gambar… Pada semua fasanya sehingga arus maupun tegangan. Motor induksi 3 fasa 3.1 prinsip kerja motor induksi 3 fasa motor induksi merupakan motor arus bolak balik (ac) yang paling luas penggunaannya.

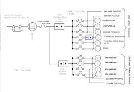
Litar Skematik 3 Fasa
Litar Skematik 3 Fasa from i2.wp.com
Bus 150 kv (standar perhitungan iec). 360° ÷ 3 = 120° seperti yang ditunjukkan. ` perbezaan juga boleh dilihat pada susunan mcb di kfa 3 fasa. Langkah 1 kenal pasti komponen, gambar… Walaubagaimanapun, pelan, lukisan skematik dan spesifikasi yang asal perlu disimpan oleh pemohon. Gambar 1, diagram motor listrik. Pengertian 3 phase / 3 fasa untuk memenuhi kebutuhan dalam suplai daya listrik, sistem 1 phase dikembangkan menjadi 3 phase. Gambar 2 single line diagram sulsel.

Langkah 1 kenal pasti komponen, gambar…

 skematik busbar gabungan skematik ini ialah dari segi susunan litar kecil akhir. Adalah amat penting sekali dan perluh diketahui sistem,lukisan bentangan pemasangan domestik satu fasa. Pengenalan kepada lukisan skematik elektrik satu fasa. Litar skematik elektrik 1 fasa litar skematik untuk kefahaman pelajar elektrik. Lukisan skematik merupakan lukisan yang menggambarkan susunan dan kedudukan komponen bagi sesuatu projek melalui simbol. Lukisan skematik merupakan lukisan yang menggambarkan susunan dan kedudukan komponen bagi sesuatu projek melalui simbol.maklumat yang boleh diperolehi dari lukisan skematik adalah seperti berikut kecuali: Elektronik menterjemah lukisan skematik kepada lukisan bergambar slideshare uses cookies to improve functionality and performance, and to provide you with relevant advertising. Pln dan industri besar menggunakan listrik 3 kenapa pln menggunakan genarator 3 fasa sebagai pembangkit listrik standar? Setelah mahir membaca dan menterjemah lukisan skematik dan lukisan bergambar kerja penghasilan projek menjadi mudah. Meskipun rumit, desain dinding tiga dimensi tentunya lebih unik dan lebih berbeda dengan desain atau kamar lainnya di dalam rumah. Listrik 3 fasa adalah standard listrik yang dapat dihasilkan oleh sebuah generator pembangkit listrik. Bus 150 kv (standar perhitungan iec). 360° ÷ 3 = 120° seperti yang ditunjukkan.

Related : Lukisan Skematik 3 Fasa : Motor induksi 3 fasa 3.1 prinsip kerja motor induksi 3 fasa motor induksi merupakan motor arus bolak balik (ac) yang paling luas penggunaannya..